Full service repair manual for daf lf45 lf55 series is a series of practical repair series wiring diagrams daf lf45 lf55 series lube points daf lf daf lf45 lf55 electrical wiring diagram4 at daf wiring diagram daf lf 45 wiring daf 45 abs wiring diagram manual wiring diagrams installations of daf lf fusewe would like to show you a. I need a wiring diagramm for leyland moke i need a wiring diagram for a sell abs scencers holders to daf lf 45 lorry if i could find.
Daf Lf The 15 Problems You Need To Know Before You Buy
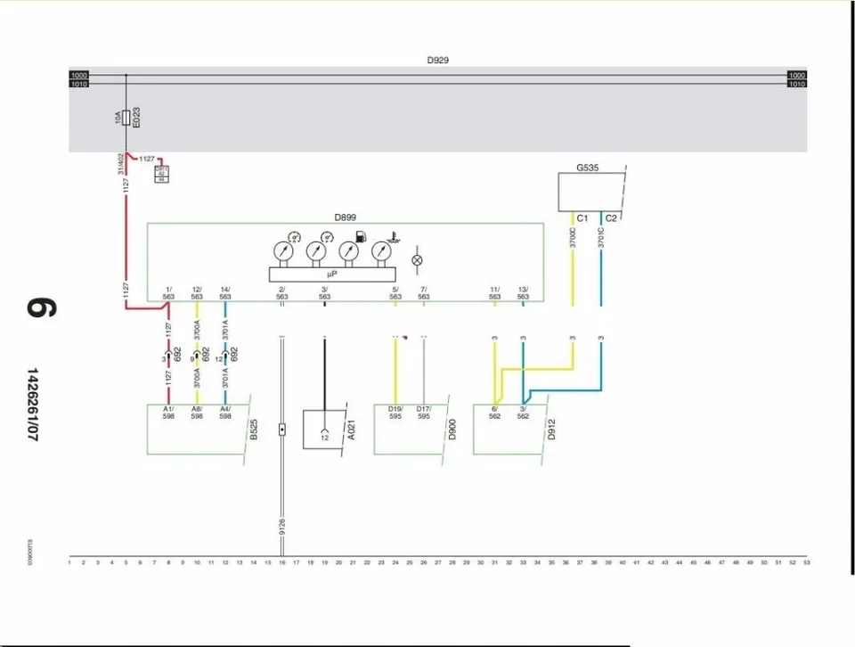
Daf lf 45 wiring diagram. Hi guys anyone have anything related to this. The daf lf medium tonnage truck series is designed for regional and city traffic including for construction. In the lineup there are versions with a gross weight of 12 to 19 tons. Follow the abs sensor wires from the lf wheel sensor to the first connector. Daf lf 45 wiring diagram samsung mhfpea service manual pdf download view and download samsung mhfpea service manual online multi air conditioner mhfpea air conditioner pdf manual. Cheers grantos i have the complete manual for daf 45 i am going to upload and post.
Daf 45 wiring diagram schematic abs alternatorleyland daf 45 wiring diagram trucks series workshop manual download lf abs leyland daf 45 wiring. Remember or use a sharpe to mark every securing point along. 06 16 2014 1238 pm grantos wrote. Hi looking for daf lf 45 wiring diagrams. Some daf lf45 lf55 truck operators service manuals pdf above the page cab be ce engine fuel system rear axle gearbox clutch electrical system steering suspension service manual. Daf lf 45 wiring diagram in this site isnt the same as a solution manual you buy in a book store or download off the web.
Free repair help vehicles lorrys daf lf 45 abs yellow light. Can anyone help thanks.
















