Does anyone have a diagram of the stereo wiring for the vdj79 with the metal dash in it. Brought to use relay location and electrical wiring routing sections to find.
Wiring Amp Clamp For 2007 2018 Toyota Land Cruiser Vdj79
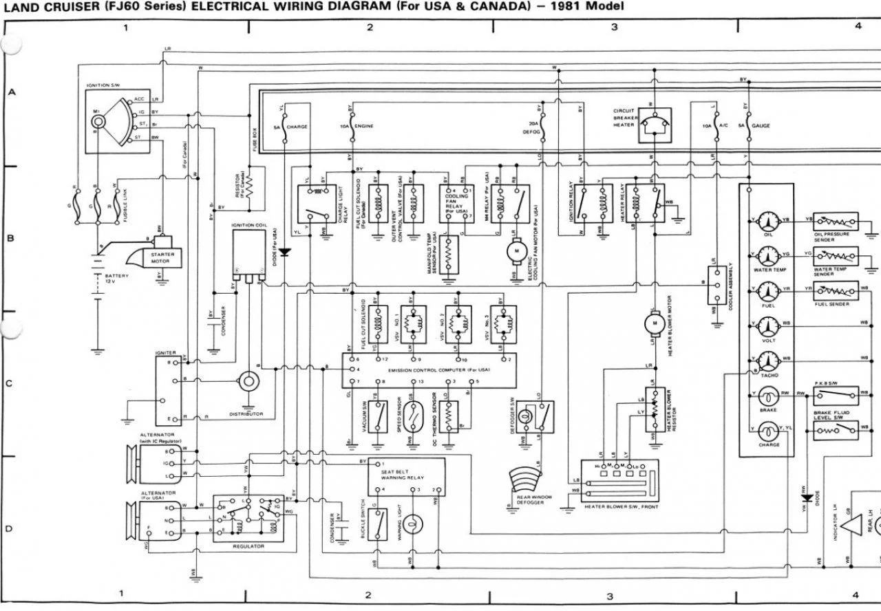
Vdj79 wiring diagram. Only maintenance adjustment minor repair procedures plus removal and installation are described for the transmissions. My wiring was pretty jacked when i got it so i need a. Engine compartment fuse box on the left side toyota land cruiser fuse box engine compartment. Press picture of the pressure valve near the front radiator on one side it has a blue and red wire which had 13v on it and a red and black which had 0v when motor was running and the red and black wire was connected to battery the compressor started ok so it looks like i have lost the gas. Provides circuit diagrams showing the circuit connections. Toyota land cruiser pdf workshop and repair manuals wiring diagrams spare parts catalogue fault codes free download toyota land cruiser 1998 2007 automatic transmission service manual toyota land cruiser 1998 2007 gasr series engine mechanical service manual toyota land cruiser 1998 2007 body mechanical service manual toyota land cruiser 1998 2007 body repair manual toyota land.
Wiring diagrams part a 200 series models chassis electrical system 70 series models wiring diagrams part b 70 series models. Toyota land cruiser from 2015 fuse box diagram. Operation concept diagram operation 5 epzi sh 2iihpi epzi 6ixyvr 7tvmrk 5 iih 4yqt 7. 7yttp 4yqt 5 7lsvx yx 32 7qepp epzi 3tirmrk 1mrmqyq rxeoi 5yerxmx 0srk hyx 32 0evki epzi 3tirmrk 1emqeyq rxeoi 5yerxmx 7qepp 3tirmrk2iihpi epzi0evki 3tirmrk2iihpi epzi. Wiring clamp 072009 cowl 0907 rhd diagram toyota land cruiser. Year 2007 2018 sales region general frame vdj79 grade std body pic engine 1vdftv transmission mtm destination arl model land cruiser 70 from 012007 gear shift type 5f vehicle model land cruiser drivers position rhd fuel induction tdefi building condition iv.
Frame drawing 84 model vdj79r tjmryq3 vdj79r tjmnyq3 55 806 1046 50 66 520 9755 292 757 bound stopper 9356 1188 1785 600 625 11084 1450 16895 1120 1170 1000. Provides circuit diagrams showing the circuit connections. Brought to use relay location and electrical wiring routing sections to findspecial vdj79 wiring diagram if youd like to secure all of these fantastic shots about vdj79 wiring diagram click save icon to store these shots to your computer.


.jpg)













