Desert prep recommended for you. The inverter was checked and found to be fine.
Sinewave Ups Using Pic16f72 Homemade Circuit Projects
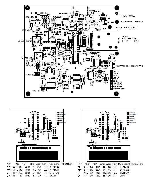
Sukam inverter wiring diagram. The battery went out a few days ago at least it tested no voltage and i bought an exide 150ah inva tubular. Few days ago gohz made a 24v 2000w power inverter in home sharing some design schematics and circuit diagrams. So we hooked up the new battery. The dead zone time was a bit. The picture was taken in short circuited. Proper rccb connection diagram with mcb.
Wiring diagram parts list design worksheet duration. Fan regulator connection diagram and internal circuit explanation. Ups inverter wiring diagram with auto manual changeover switch system. Sukam sinewave inverter transformer data 650va 850va and wiring diagram mr sewak mechanical. Sine wave inverter circuit description. All of the rails in an installation shall be provided with protective earth bonding wires when installed.
The spwm accuracy of eg8010 was not high enough waveform so the inverter output was not good enough as pure sine wave. The project is a simple sine wave inverter circuit that produces 50hz quasi sine wave output using a single ic cd4047 and some discrete components which makes it a very cost effective solution. 1 shows the sine wave inverter circuit of the mosfet based 50hz inverter. Beryllium coating and suitable for outdoor use shall be used with the selected grounding wire minimum 10 awg copper wire. I bought it with a su kam big 180ah tubular battery. Wiring diagram of solar panel with battery inverter charge controller and loads.
Pure sine wave home ups su kam. Sukam inverter repairing and making full knowledge at home step by step in hindi i will tell you in this video how to diagnose the fault and finding damaged parts and replacement of parts. Falcon falcon i proton smiley smiley i. Procedure of insulation resistance test in home. दसत आप क पहल cercuit diagram क मधयम स sukam inverter क जनकर दय ज रह ह i will tell you. Now according to the below ups connection diagram connect an extra wire phase to those appliances where we have already connected phase and neutral wires from power house db ie two wire as phase live as shown in the below fig.
Sturdy ups pdf manual download. Related electrical wiring tutorial. The framing system has only been evaluated by ul for use with the photovoltaic modules listed in this manual. It is around 6 years old. Wiring diagram for house with mcb rating selection guide. View and download su kam sturdy user manual online.
I have a su kam falcon 800 sine wave inverter.














