167 mm 167 mm tyre size front. 1195 mm 1205 mm wheel base.
Potentiometer Wiring Diagram Ez Go Ez Go
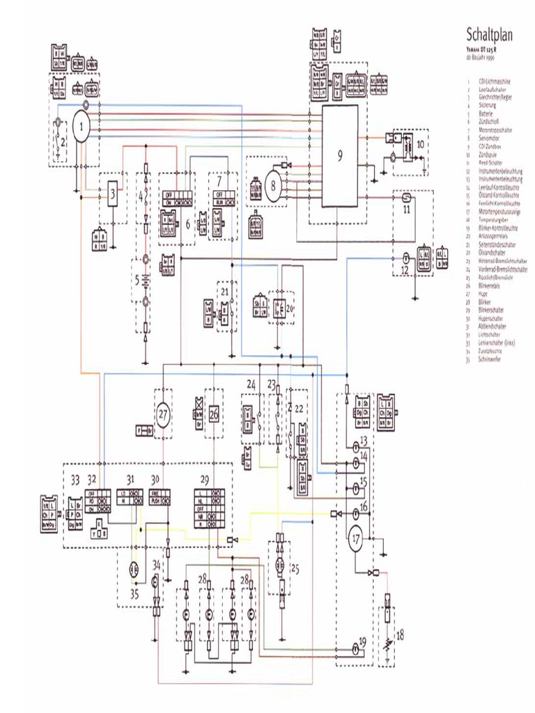
Pulsar 200 ns wiring diagram pdf. Bajaj genuine main wiring harness and relay with fuses for bajaj pulsar 200ns make year 2012 2016 with 200cc dtsi bs 3 engine. 13070 1761p tubeless tyre pressure front. 175 kgfcm2 25 psi rear solo. 10080 1752p tubeless rear. English 78 xcd 125 dts si. 200 kgfcm2 28 psi.
200 ns motorcycle pdf manual download. Author sgbikerboy posted on 13 march 2016 22 november 2016 categories diy electrical pulsar 200ns tags 12v wiring power wiring 40 thoughts on wiring up for power on the pulsar 200ns n says. 804 mm 804 mm height. The first passenger car datsun off the line in 1935 and soon nissan started exporting to australia. Manual bajaj pulsar ns200 y rs200 png created date. 1363 mm 1363 mm ground clearance.
Wiring diagram for bajaj pulsar 180 i want wiring diagram with detals for all pulsar how i can get. Arburettor side draught pulsah150. Posted on jan 24 2011. View and download pulsar 200 ns owners manual online. 280 btdc at rmin rpulsar180 rmin. Nissan car fault codes dtc.
Some bajaj motorcycle parts manuals wiring diagrams pdf are above the page cheetak super excel legend. Or pulsar 150 1302 ps 957 kw at 8500 rpm rpulsar1b0 1601 ps 1177 kwat8000rpm axmum net torque for pulsar 150 68 nm at 6500 rpm orpulsar 180 1472 nrn at6500 rpm gnitionsystem microprocessor controlled digital gnition timing rpulsar150 rmin. Pulsar ns pulsar as length. 1122015 122002 pm. Some nissan car owner service manuals pdf and a lot of wiring diagrams above page 370z altima armada cube frontier gt r juke leaf maxima murano pathfinder quest sentra titan versa xterra. The indian brand bajaj auto founded in 1945 ranks third in the world in the production of motorcyclesinitially the company was in the sale of 2 and 3 wheel carts rickshaws popular among the indian population.
2017 mm 2070 mm width. Price of selected products. After 14 years in 1959 bajaj auto acquired a state license for the. 2001 2001 bajaj pulsar 150 180 training notes manualpdf repair manuals 134 mb.

















