Stepper motor wiring diagram sample stepper motor wiring diagram elegant ponent series circuit diagrams. It shows the components of the circuit as simplified shapes and the capacity and signal contacts between the devices.
Amazon Com Us Ship 3 Pcs Nema 23 Stepper Motor 425 Oz In
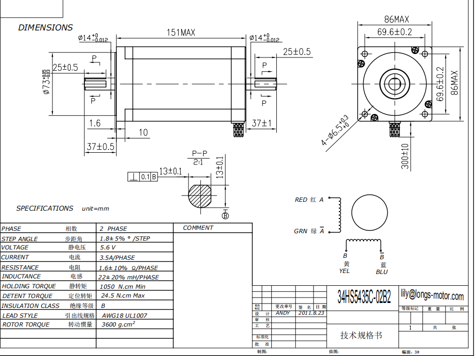
Longs stepper motor wiring diagram. Since coils a and b on the diagram above are not connected the resistance between leads a1 and b1 or between a1 and b2 will be infinite. Drive and motor wiring diagram 8015 speed adjustment download. If not the structure wont function as it should be. It shows the components of the circuit as simplified shapes and the skill and signal friends together with the devices. Longs motor wiring diagram wiring diagram is a simplified suitable pictorial representation of an electrical circuit. 160120 chinese new year.
Longs stepper motor wiring diagram wiring diagram is a simplified suitable pictorial representation of an electrical circuit. Stepper motor wiring diagram arduino stepper motor wiring diagram cnc stepper motor wiring diagram leadshine stepper motor wiring diagram every electrical structure is composed of various distinct pieces. Easy to build cnc mill stepper motor and driver circuits 6 steps. Each component should be set and connected with different parts in particular manner. Bipolar stepper motors have two windings which are not connected to each other wired internally like this. Stepper motor wiring diagram elegant ponent series circuit diagrams.
Stepper motor wiring diagram elegant ponent series circuit diagrams. If your stepper motor has 4 wires it is a bipolar stepper motor. Drive and motor wiring diagram 8015 3.














