For two door or tamdem applications. An electric strike replaces the fixed strike faceplate often used with a latch bar.
Adams Rite 80 0180 381 H 7100 Series Data Sheet Wire Coding
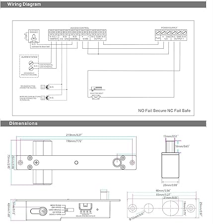
Fail secure wiring diagram. This product may be provided fail safe or fail secure. Should the power be interrupted or fail the. When looking at fail safe locks this means that its default state is actually unlocked. Common wiring diagrams. Fail secure not working. Fail safe versions allow exit in the event of power failure.
Technical guide pc109x 0415 page 34. Here is a great video about the door hardware fail secure vs fail safe. All switches shown in off position in wiring diagram enable time delay allows you to choose which outputs will have the below time delay. 1 spdt voltage output. The door strike maglock must not share power with the actatek. 4td wiring example fail secure 4td wiring example fail safe gnd nc2 c2 no2 i2 nc1 c1 no1 i1 sc gnd nc4 c4 no4 i4 nc3 c3 no3 i3 sc 4rl 120240 vac 5060hz access control 2 ept 2 or 10 el device 2.
A fail safe locking device unlocks when power is lost. Connect all component negatives to the power supply negative. Fail secure lock wiring step 1. Actatek supports 12vdc door strikes maglocks with a maximum current draw not exceeding 1amp. Wiring instructions fail secure strike with one button power supply push button no fail secure strike polarity insensitive depressing the push button would close the circui t allow power to flow and release the strike. Power supply may be ac or dc depending on the requirements of the strike.
Proper operating voltage must be supplied to the strike if it is to function correctly. To keep it locked during normal business operations power is applied. Electric latch retraction with auto operator. Figure 21 lock state fail secure device normally open relay board positon on relay door strike to common on dc power supply supply lock state lock supply fail secure device ki 00125e 07 11 keyscan inc. An understanding of basic wiring diagrams fail safe and fail secure. One single door with panic bar.
The next step is to have a fail safe method of cutting the power to the lock to ensure the where access control equipment is fitted to a fire escape door which includes an wiring break glass units and fire alarm interfaces the fib provides a switching. Fail secure versions do not. The lock unlocks when power is applied. Diagram team system project open discussion and questions access control the basics exiting switches existing locksets. It normally presents a ramped surface to the locking latch allowing the door to close and latch just like a fixed. Do not attempt to use the power supply.
Fail secure lock wiring psp 24 fail secure lock black stripe black purple whtblue blue. Locking devices can be either fail safe or fail secure. Figure 22 terminate lock wiring ca250b. Electric latch retraction with auto operator. Fail safe door strike wiring diagram. Latch function diagram.
The sdc acm 1 access control module is an magnetic lock or electric strike. Fail secure not working. The following common wiring diagrams are available.














