Dilm25 10230v50hz240v60hz contactor 3 pole 380 v 400 v 11 kw 1 no 230 v 50 hz 240 v 60 hz ac operation screw terminals. Collection of eaton motor starter wiring diagram.
Agm2 10 Pkz0 072898 Eaton Electric Trip Indicator Switch
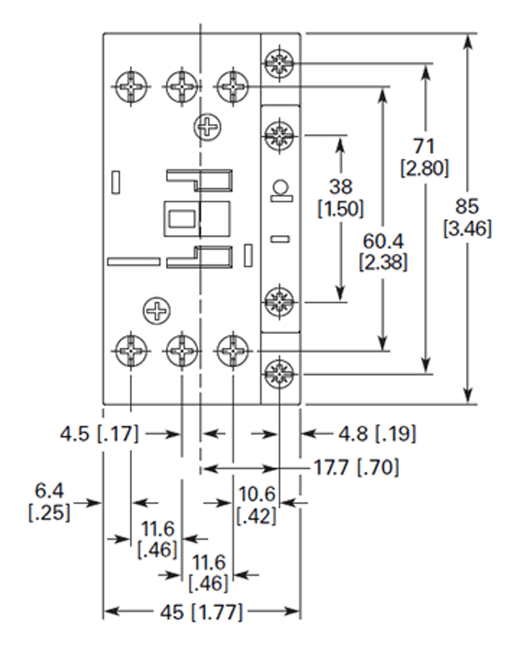
Eaton dilm25 10 wiring diagram. To check out a wiring diagram first you need to recognize what basic components are included in a wiring diagram as well as which pictorial icons are used to represent them. A wiring diagram is a streamlined traditional photographic representation of an electric circuit. Eaton wiring manual 0611 5 1 55 contactors and relays page. At 460 volt 3 phase and comes with screw terminals. For moeller dilm25 10 technical or sales support call the klockner moeller electric automation and motor control experts. It reveals the components of the circuit as streamlined shapes and also the power as well as signal connections in between the tools.
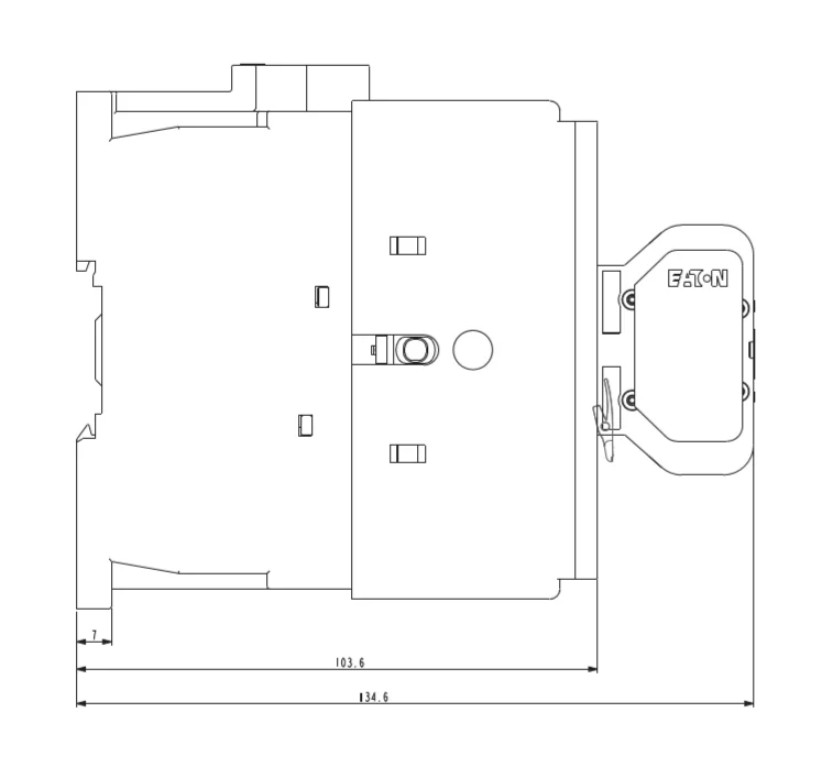
Eaton will provide heat dissipation data for the devices. 24 27 v dc dc operation screw terminals 277146 dilm25 10rdc24 overview specifications resources. 45 dilm25 32 10 15 17 45 dilm32 38 11 185 17 45 dilm38 40 125 185 23 60 dilm40. They show the relative location of the components. The common components in a wiring diagram are ground power supply cord and connection outcome gadgets switches resistors reasoning gateway lights etc. Eatonmoeller dilm25 10 contactor with 24 volt dc rated coil 1 normally open base mounted auxiliary contact and is rated for 25 amps ac 3 40 amps ac 1.
Ie a hp. 1010 temperature rise the panel builder is responsible for the temperature rise calculation. Contact sequences complete units. Eaton will provide heat dissipation data for the devices. Inch to mm conversion. Dilm32 10230v50hz240v60hz contactor 3 pole 380 v 400 v 15 kw 1 no 230 v 50 hz 240 v 60 hz ac operation screw terminals.
Figure 1 is a typical wiring diagram for a three phase mag. Dilm25 10rdc24 contactor 3 pole 380 v 400 v 11 kw 1 no rdc 24. Wiring diagrams sometimes called main or construc tion diagrams show the actual connection points for the wires to the components and terminals of the controller. 1094 testing of enclosures made of insulating material is the panel builders responsibility. Moeller dilm25 10 is now eaton xtce025c10 contactor same exact part only part change. They can be used as a guide when wiring the controller.
Eaton wiring manual 0611 5 7 55 circuit diagram damping also below u limit notes additional heat dissipation through circuitry. This 3 pole iec rated contactor is rated for 10 hp. At 230 volt 15 hp. 1011 short circuit rating is the panel builders responsibility.


















